Shop By Vehicle
Year
Make
Model
Body
Engine

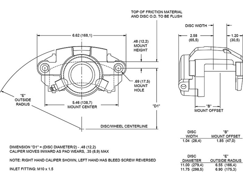
Wilwood 120-9333 D154 GM Metric Caliper,Iron 2.00" Piston, 1.04" Disc

Wilwood 120-9333 D154 GM Metric Caliper,Iron 2.00" Piston, 1.04" Disc
Part Number: WIL-120-9333
Brand: Wilwood
List Price: $140.76
Price: $106.75

This product qualifies for Free Ground Shipping*
Qty

Wilwood 120-9333 D154 GM Metric Caliper,Iron 2.00-in Piston, 1.04-in Disc

 

Wilwood iron GM Metric brake calipers from Accesspeed combine new part quality with modern machining precision. These are all new and not rebuilt, cast iron calipers, purpose built for racing. Wilwood’s GM Metric Calipers are bolt-on replacements for 1978 and later GM Metric calipers widely used in "spec" racing categories. Wilwood’s new 2.50” piston GM Metric calipers are now officially approved for IMCA as OEM replacement caliper that meet all rules in Modified, Stock Cars, Hobby Stocks, Northern and Sothern Sport Mods. The GM Metric caliper is also available in 2.75” and 2.00” piston sizes for use in other non-restricted series or applications. Calipers require use of hardened Wilwood slide pins (sold separately), request part no. 230-0619 (slide pin kit) that contains 4 slide pins, enough for two calipers.

Wilwood offers three piston size options to assist builders with properly building static bias into a car. Previously, builders using the metric calipers generally had to mount the same size calipers on all four wheels. This drastically limited the tuning options and often created front to rear bias ratios that were not conducive to good handling and stability under hard braking. Some builders, and other brake suppliers, chose to offer re-machined OE calipers to provide a bias tuning option. Unfortunately, re-machining a used casting that was never designed for the larger bore size, can create real compromises in strength, reliability, and performance.

To address these needs, Wilwood has tooled three separate castings that are fitted with 2.75", 2.50” or 2.00" stainless steel pistons and high temperature bore seals. Each casting is designed specific for its intended bore size. The calipers are strong and precise, without unnecessary added weight from oversized castings. The stainless steel pistons resist corrosion while helping to slow the heat transfer from the pads. The high temperature seals provide long service life when used in hard braking applications and maintain their resilience to provide positive piston retraction on release.

Prop 65 Warning WARNING: Cancer and/or Reproductive Harm — www.P65Warnings.ca.gov

Scroll to view product options.

Part # Description Price
WIL-120-9333 Wilwood 120-9333 D154 GM Metric Caliper,Iron 2.00" Piston, 1.04" Disc $106.75 Add to Cart

Scroll to view product options.

Fits These Applications:

Year Make Model SubModel Engine Transmission Drive

Related Products