Shop By Vehicle
Year
Make
Model
Body
Engine

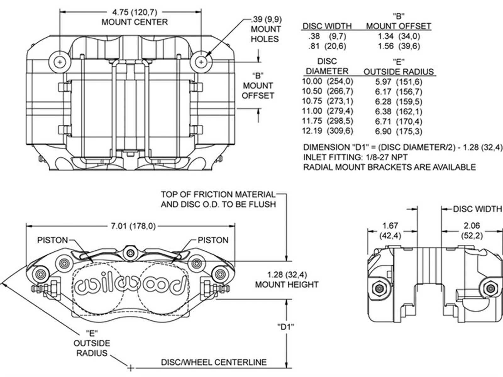
Wilwood 120-8534 Dynapro Radial Caliper,Race 1.25" Pistons, .38 & .500" Disc

Wilwood 120-8534 Dynapro Radial Caliper,Race 1.25" Pistons, .38 & .500" Disc
Part Number: WIL-120-8534
Brand: Wilwood
List Price: $285.96
Price: $224.28

This product qualifies for Free Ground Shipping*
Qty

Wilwood 120-8534 Dynapro Radial Caliper,Race 1.25-in Pistons, .38 & .500-in Disc

 

Wilwood's DynaPro four piston radial mount brake calipers from Accesspeed combine pure race technology with a new generation of Wilwood performance enhancements. The DynaPro combines the versatility of radial mounting with a sleek profile, superior strength, and extreme durability in adverse conditions. With an overall weight as light as 3.58 pounds, the DynaPro has become a favored choice for a broad range of sports, rally, and off-road driving applications. 

The strength of the DynaPro is a combination of process and design. The process of stess-flow forging re-aligns the internal grain structure of the metal to flow within the contour of the caliper body. This produces a part with superior strength over machined block billet parts or castings. The FEA generated body design features a radial transition between the piston bores and caliper bridges. This eliminates machined steps and shoulders in this critical strength area and substantially increases the resistance against deflection and body separation under high load. Structural deflection and volume displacement testing have proven the efficiency of this innovative design. The bottom line is a firm pedal with outstanding stopping power. 

The DynaPro is available in four configurations. Standard calipers for rotors up to 12.19" feature dust-booted aluminum pistons for maximum protection against track or road born debris in low to intermediate temperature applications. A long radius version is available to accommodate rotors up to 13.00". Competition models use heavy wall stainless pistons to provide addition protection against corrosion and heat transfer from the pads. All Dynapro calipers can also be optioned with Thermlock pistons for maximum thermal protection in sustained high-heat applications. Optional side inlet calipers are available to simplify plumbing with inboard mounted brakes on live axles and independent suspension rears. 

Prop 65 Warning WARNING: Cancer and/or Reproductive Harm — www.P65Warnings.ca.gov

Scroll to view product options.

Part # Description Price
WIL-120-8534 Wilwood 120-8534 Dynapro Radial Caliper,Race 1.25" Pistons, .38 & .500" Disc $224.28 Add to Cart

Scroll to view product options.

Fits These Applications:

Year Make Model SubModel Engine Transmission Drive