Shop By Vehicle
Year
Make
Model
Body
Engine

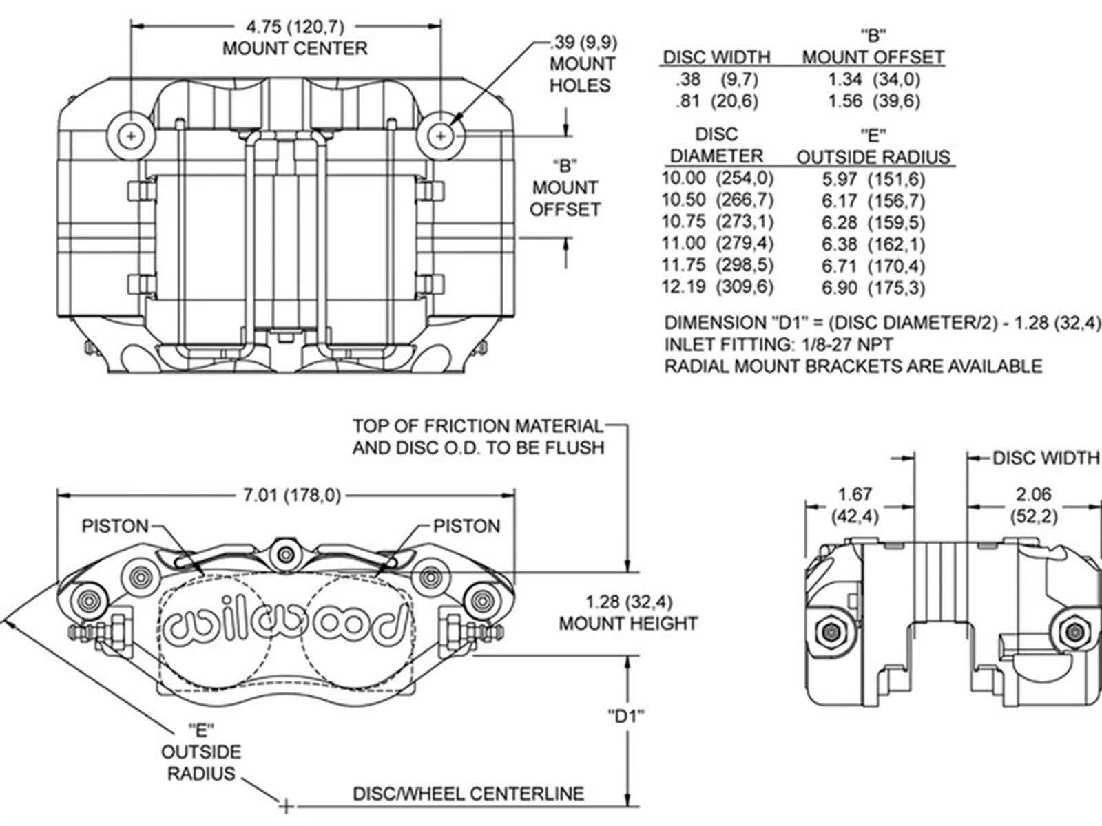
Wilwood 120-14705 Dynapro-DS Radial Caliper, Anodized Gray 1.50" Pistons, 1.00" Disc

Wilwood 120-14705 Dynapro-DS Radial Caliper, Anodized Gray 1.50" Pistons, 1.00" Disc
Part Number: WIL-120-14705
Brand: Wilwood
List Price: $406.96
Price: $337.99

This product qualifies for Free Ground Shipping*
Qty

Wilwood 120-14705 Dynapro-DS Radial Caliper - Anodized Gray 1.50-in Pistons, 1.00-in Disc

Wilwood Dynapro four piston dust seal radial mount calipers (DPR-DS) are an example of Wilwood’s continuing upgrade and improvement processes. Combine pure race technology with a new generation of Wilwood performance enhancements. The Dynapro-DS combines the versatility of radial mounting with a sleek profile, superior strength, and extreme durability in adverse conditions. The addition of dust wiper seals allows this caliper to be used in localities that require a method of environmental sealing. With an overall weight as light as 3.58 pounds, the Dynapro series of calipers has become a favored choice for a broad range of sports, rally, and off-road driving applications.

The strength of the Dynapro is a combination of process and design. The process of stess-flow forging re-aligns the internal grain structure of the metal to flow within the contour of the caliper body. This produces a part with superior strength over machined block billet parts or castings. The FEA generated body design features a radial transition between the piston bores and caliper bridges. This eliminates machined steps and shoulders in this critical strength area and substantially increases the resistance against deflection and body separation under high load. Structural deflection and volume displacement testing have proven the efficiency of this innovative design. The bottom line is a firm pedal with outstanding stopping power.

The Dynapro is available in three configurations. Standard calipers for rotors up to 12.19" feature dust-sealed stainless-steel pistons for maximum protection against track or road born debris in intermediate to high temperature applications. A long radius version is available to accommodate rotors up to 13.00". Competition models that use Thermlock insulated pistons to provide addition protection against heat transfer from the pads. All Dynapro calipers can also be optioned with Thermlock pistons for maximum thermal protection in sustained high-heat applications.

Prop 65 Warning WARNING: Cancer and/or Reproductive Harm — www.P65Warnings.ca.gov

Scroll to view product options.

Part # Description Price
WIL-120-14705 Wilwood 120-14705 Dynapro-DS Radial Caliper, Anodized Gray 1.50" Pistons, 1.00" Disc $337.99 Add to Cart

Scroll to view product options.

Fits These Applications:

Year Make Model SubModel Engine Transmission Drive