Shop By Vehicle
Year
Make
Model
Body
Engine

Wilwood SL6R 14" Front & 13" Rear Big Brake Kit W/2" Drop Spindle, Black Slotted, 1964-1974 GM A-F-X

Wilwood SL6R 14" Front & 13" Rear Big Brake Kit W/2" Drop Spindle, Black Slotted, 1964-1974 GM A-F-X
Part Number: WIL-GM-AFX-1-1413-E
Brand: Wilwood
List Price: $6,045.96
Price: $4,838.90

This product qualifies for Free Ground Shipping*
Qty

Wilwood SL6R 14" Front & SL4R 13" Rear Big Brake Kit Combo Package With Wilwood 2" Drop Spindle, Parking Brake Cable, Brake Lines & Fluid, Slotted Rotors, Black Calipers, Fits 1964-1974 GM A/F/X Body, 12 Bolt Rear w/ C-Clips 2.81" Offset Staggered Mount

 

This ACCESSPEED-WIL-GM-AFX-1-1413-E is an all-inclusive Front & Rear Big Brake Kit WITH 2-inch Drop Spindles, Front & Rear Stainless Brake Lines, Rear Parking Brake Cable Kit, and 2 Bottles of Wilwood 570 Fluid for a turn-key installation!

 

FRONT:

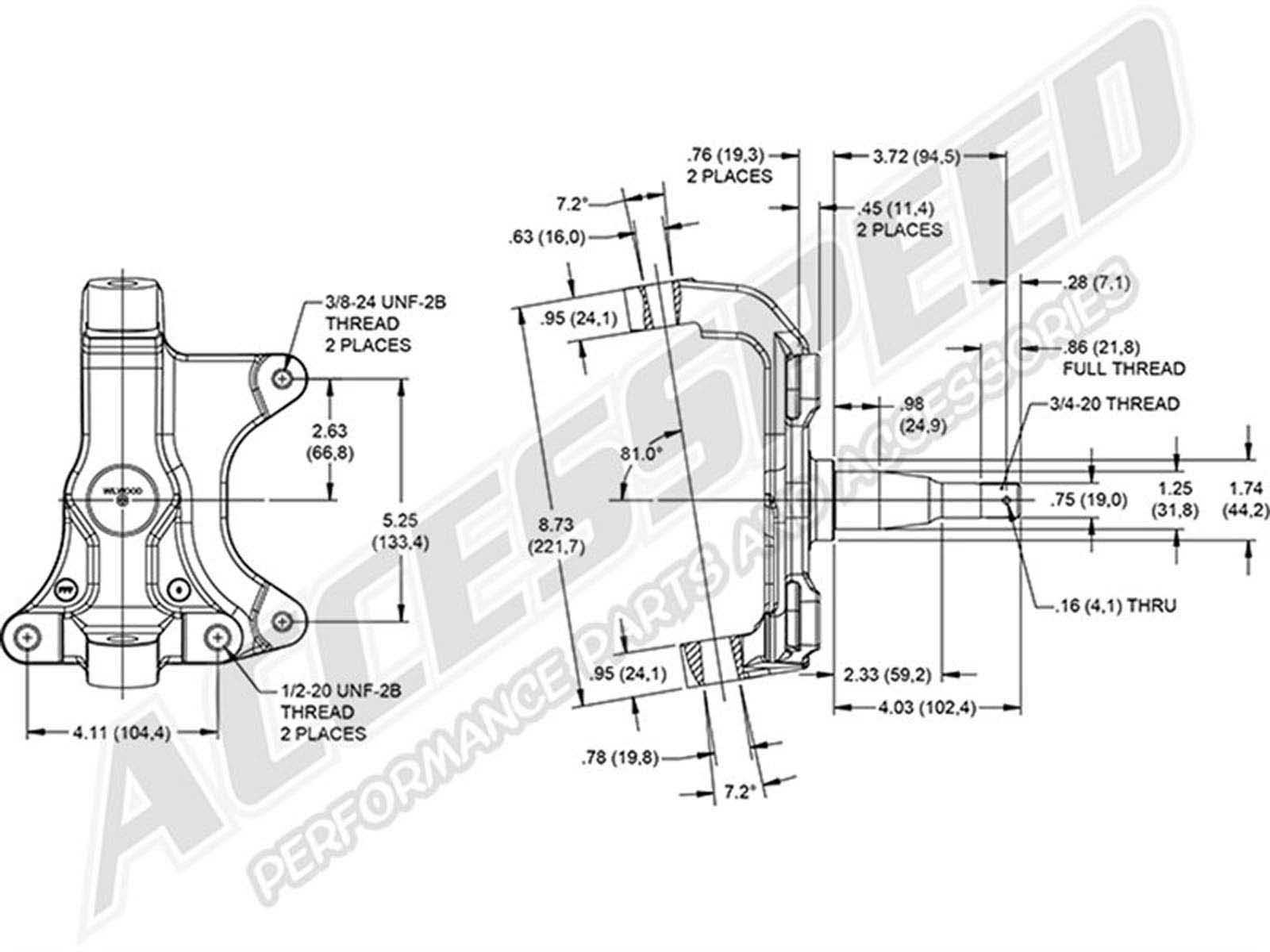
FNSL6R billet forged six-piston calipers with 14" rotors deliver the ultimate combination for braking power and style re designed for the WWE AFX Pro spindles. AFX Pro Spindles fit 1964-1972 GM A Body, 1967-1969 GM F Body, 1968-1974 GM X Body vehicles and are built exclusively for 18” and larger wheels, FNSL6R kits used with WWE AFX Pro Spindles enhance tire and suspension upgrades on all types of custom show and high performance dual-purpose street and track machines.  The unsurpassed braking capacity of the Forged Narrow Superlite 6R six-piston caliper serves as the base of this group of 14” big rotor kits for these popular late model vehicles. FNSL6R kits are engineered application specific for simplified installation and full compatibility with OE master cylinder output and ABS functions where used. Big brake kits provide increased brake capacity and complimentary style with wheel, tire, and suspension upgrades on show cars and high performance street/track machines. Optional caliper finishes and rotor designs simplify personalizing the style and braking requirements of any application. THIS FRONT BRAKE KIT 140-15911 HAS A HUB OFFSET OF: +.38  (This Hub Offset will move the wheels inward or outward from the fender by this amount on each side of the vehicle.)

 

REAR:

Forged Narrow Superlite 4R rear disc kits provide the ultimate Big Brake solution for popular muscle car rear axles that require a parking brake. FNSL4R four piston calipers, 13" two-piece rotors, and high performance BP-10 compound pads provide optimized and balanced braking to compliment front big brake upgrades on all types of custom, show and high performance street machines. The neatly hidden internal shoe system provides a clean installation with superior static holding power for parking. Optional caliper finishes and rotor designs allow builders to personalize the style and performance for every application.  This rear kit 140-10908 is designed for staggered shock mount rear ends.

 

DROP SPINDLE KIT:

Wilwood’s AFX ProSpindle Kits contain a pair of high strength steel spindles for 1964-1972 GM A Body, 1967-1969 GM F Body, 1968-1974 GM X Body vehicles that use the original bolt on steering arms. Specifically designed for use with Wilwood’s disc brake kits with a 2.00” drop for a more aggressive stance without affecting steering geometry. With the added benefits of providing a lower center of gravity, raised front roll center and a decreased camber change also improve handling with less body roll. Installs using the OE ball joints using original or aftermarket control arms. A unique caliper mounting feature provides fortified attachment of four new brake kit options ranging in rotor sizes from 11.00” to 14.00” diameters, with options for both four and six piston calipers. The 831-15890 spindles mount with OE ball joints in stock or aftermarket control arms, and retain the original bolt-on steering arms. Includes Driver/Left and Passenger/Right spindles.

 

BRAKE LINES:

Wilwood’s stainless steel braided Flexlines are manufactured to the highest quality standards, and are designed to fit each application.  Accesspeed inlcudes 14" front & rear brake line kits. These premium grade Flexlines are durable and provide “hard line” pedal feel, while allowing braided line heat dissipation. Wilwood 14" Flexline Brake Line Kit 220-7056. (Recommended for most applications - longer lines available.)

 

PARKING BRAKE CABLE KIT:

This Parking Brake Cable Kit is for Wilwood Rear Big Brake Kits.  Wilwood’s Caliper Cable Kit contains all parts necessary for effective installation on most vehicles. Kit contents include cable and sheath assemblies, clevises and hardware.

 

BRAKE FLUID:

Wilwood’s specially formulated Hi-Temp° 570 Racing Brake Fluid has a minimum 570° F dry boiling point to withstand the severe heat requirements of automotive racing. Hi-Temp° 570’s low viscosity allows easy bleeding of your brake system, eliminating aeration of the brake fluid caused by foaming due to excessive pumping of the pedal. Hi-Temp° 570 comes in convenient 12 ounce containers hermetically sealed to guarantee against unwanted absorption of moisture which can drastically lower the fluids boiling point (fluid from larger containers tends to become contaminated with moisture, lowering its boiling point and making it unsuitable for racing applications).

*This Brake Kit may require 18-inch or larger wheels and/or wheel spacers. Please refer to the wheel clearance diagram to check to see if it will fit your specific wheel.

 

FITS THE FOLLOWING VEHICLES:

  • 1973-1974 Buick Apollo
  • 1970-1972 Buick GS    
  • 1968-1969 Buick GS 350          
  • 1968-1969 Buick GS 400
  • 1970 Buick GS 455 GSX          
  • 1970-1972 Buick GS 455          
  • 1969-1972 Buick Skylark          
  • 1966-1969 Buick Special
  • 1965-1972 Buick Sportwagon   
  • 1970-1971 Oldsmobile 442       
  • 1970-1972 Oldsmobile Cutlass  
  • 1970-1972 Oldsmobile F85
  • 1973-1974 Oldsmobile Omega  
  • 1967-1972 Oldsmobile Vista Cruiser      
  • 1970-1972 Oldsmobile Cutlass Supreme
  • 1970-1971 Pontiac Acadian
  • 1967-1969 Pontiac Firebird       
  • 1970-1972 Pontiac Grand Prix  
  • 1970-1972 Pontiac GTO           
  • 1970-1972 Pontiac LeMans
  • 1970 Pontiac Tempest  
  • 1971-1974 Pontiac Ventura II    

 

 


Notes

Black Calipers. Please see separate listing for Red Calipers.  Installation of Wilwood Disc Brake Kits may affect the wheel offset and will require a larger diameter wheel for caliper clearance. All returned orders are subject to a re-stocking fee, so please make sure your wheels will work before ordering. Shipping Promotions are valid in the Lower 48 States only.  For all other areas, please contact us for a discounted rate quote.

Prop 65 Warning WARNING: Cancer and/or Reproductive Harm — www.P65Warnings.ca.gov

Scroll to view product options.

Part # Description Price
WIL-GM-AFX-1-1413-E Wilwood SL6R 14" Front & 13" Rear Big Brake Kit W/2" Drop Spindle, Black Slotted, 1964-1974 GM A-F-X $4,838.90 Add to Cart

Scroll to view product options.

Fits These Applications:

Year Make Model SubModel Engine Transmission Drive
1974 Buick Apollo RWD
1972 Buick GS RWD
1972 Buick GS 455 RWD
1972 Buick Skylark RWD
1972 Buick Skylark 5.7 RWD
1972 Buick Sportwagon RWD
1971 Buick GS RWD
1971 Buick GS 455 RWD
1971 Buick Skylark RWD
1971 Buick Skylark 5.7 RWD
1971 Buick Sportwagon RWD
1970 Buick GS RWD
1970 Buick GS 455 RWD
1970 Buick GS 455 GSX RWD
1970 Buick Skylark RWD
1970 Buick Skylark 5.7 RWD
1970 Buick Sportwagon RWD
1969 Buick GS 350 RWD
1969 Buick GS 400 RWD
1969 Buick Skylark RWD
1969 Buick Skylark 5.7 RWD
1969 Buick Special RWD
1969 Buick Sportwagon RWD
1968 Buick GS 350 RWD
1968 Buick GS 400 RWD
1968 Buick Special RWD
1968 Buick Sportwagon RWD
1967 Buick Special RWD
1967 Buick Sportwagon RWD
1966 Buick Special RWD
1966 Buick Sportwagon RWD
1965 Buick Special RWD
1965 Buick Sportwagon RWD
1964 Buick Special RWD
1964 Buick Sportwagon RWD
1974 Oldsmobile Omega RWD
1973 Oldsmobile Omega RWD
1973 Oldsmobile Omega 5.7 RWD
1972 Oldsmobile Cutlass RWD
1972 Oldsmobile Cutlass Supreme RWD
1972 Oldsmobile F85 RWD
1972 Oldsmobile Vista Cruiser RWD
1971 Oldsmobile 442 RWD
1971 Oldsmobile Cutlass RWD
1971 - 1973 Oldsmobile Cutlass 5.7 RWD
1971 - 1973 Oldsmobile Cutlass 7.5 RWD
1971 Oldsmobile Cutlass Supreme RWD
1971 Oldsmobile F85 RWD
1971 Oldsmobile Vista Cruiser RWD
1970 Oldsmobile 442 RWD
1970 Oldsmobile Cutlass RWD
1970 Oldsmobile Cutlass 5.7 RWD
1970 Oldsmobile Cutlass 7.5 RWD
1970 Oldsmobile Cutlass Supreme RWD
1970 Oldsmobile F85 RWD
1970 Oldsmobile Vista Cruiser RWD
1969 Oldsmobile F85 RWD
1969 Oldsmobile Vista Cruiser RWD
1968 Oldsmobile F85 RWD
1968 Oldsmobile Vista Cruiser RWD
1967 Oldsmobile F85 RWD
1967 Oldsmobile Vista Cruiser RWD
1966 Oldsmobile F85 RWD
1966 Oldsmobile Vista Cruiser RWD
1965 Oldsmobile F85 RWD
1965 Oldsmobile Vista Cruiser RWD
1964 Oldsmobile F85 RWD
1964 Oldsmobile Vista Cruiser RWD
1974 Pontiac Ventura II RWD
1973 Pontiac Ventura II RWD
1972 Pontiac Grand Prix RWD
1972 Pontiac GTO 6.6 RWD
1972 Pontiac GTO 7.5 RWD
1972 Pontiac Le Mans RWD
1972 Pontiac Ventura II RWD
1971 Pontiac Acadian RWD
1971 Pontiac Grand Prix RWD
1971 Pontiac GTO 6.6 RWD
1971 Pontiac GTO 7.5 RWD
1971 Pontiac Le Mans RWD
1971 Pontiac Ventura II RWD
1970 Pontiac Acadian RWD
1970 Pontiac Grand Prix RWD
1970 Pontiac GTO RWD
1970 Pontiac GTO 6.6 RWD
1970 Pontiac GTO 7.5 RWD
1970 Pontiac Le Mans RWD
1970 Pontiac Tempest RWD
1969 Pontiac Acadian RWD
1969 Pontiac Firebird - Convertible RWD
1969 Pontiac Firebird - Convertible 4.1 RWD
1969 Pontiac Firebird - Convertible 5.7 RWD
1969 Pontiac Firebird - Convertible 6.6 RWD
1969 Pontiac Firebird - Coupe RWD
1969 Pontiac Firebird - Coupe 4.1 RWD
1969 Pontiac Firebird - Coupe 5.7 RWD
1969 Pontiac Firebird - Coupe 6.6 RWD
1968 Pontiac Acadian RWD
1968 Pontiac Firebird - Convertible RWD
1968 Pontiac Firebird - Convertible 4.1 RWD
1968 Pontiac Firebird - Convertible 5.7 RWD
1968 Pontiac Firebird - Convertible 6.6 RWD
1968 Pontiac Firebird - Coupe RWD
1968 Pontiac Firebird - Coupe 4.1 RWD
1968 Pontiac Firebird - Coupe 5.7 RWD
1968 Pontiac Firebird - Coupe 6.6 RWD
1967 Pontiac Acadian RWD
1967 Pontiac Firebird - Convertible RWD
1967 Pontiac Firebird - Convertible 3.8 RWD
1967 Pontiac Firebird - Convertible 5.3 RWD
1967 Pontiac Firebird - Convertible 6.6 RWD
1967 Pontiac Firebird - Coupe RWD
1967 Pontiac Firebird - Coupe 3.8 RWD
1967 Pontiac Firebird - Coupe 5.3 RWD
1967 Pontiac Firebird - Coupe 6.6 RWD
1966 Pontiac Acadian RWD
1964 Pontiac Acadian RWD